Electric Fuel Pump Wiring Diagram: Installation & Fixes
An electric fuel pump wiring diagram illustrates the electrical path from the battery to the pump. It typically features a hot wire for power, a ground wire for circuit completion, and a relay managed by the ignition switch to ensure fuel flows only when the engine is running or starting.
📌 Key Takeaways
- Illustrating the path of electrical current from the battery to the fuel pump motor.
- Identifying the fuel pump relay which acts as the central control hub.
- Ensuring proper grounding to prevent intermittent pump operation or overheating.
- Using color-coded schematics to trace faults in the power delivery system.
- When diagnosing a vehicle that cranks but refuses to start due to fuel starvation.
Understanding an electric fuel pump wiring diagram is the essential first step for any automotive enthusiast or DIY mechanic looking to ensure their engine receives a steady, reliable flow of fuel. Whether you are performing a fuel injection conversion, replacing a faulty mechanical pump, or upgrading to a high-performance system, the wiring layout serves as your roadmap to safety and efficiency. A precise diagram prevents catastrophic electrical shorts and ensures that your pump operates only when intended. In this guide, you will learn how to interpret wire paths, identify key components like relays and fuses, and execute a professional-grade installation that stands the test of time.
Understanding the Electric Fuel Pump Wiring Diagram Components
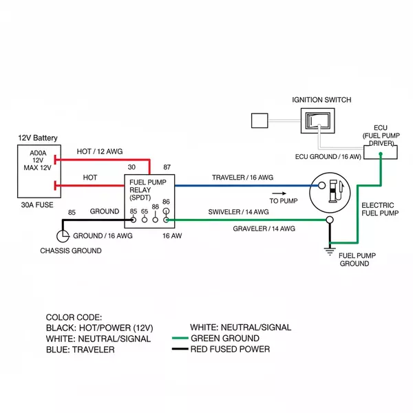
An electric fuel pump wiring diagram is more than just a series of lines; it is a logical representation of how current moves from your power source to the pump motor. At the heart of the diagram is the fuel pump relay. Because fuel pumps draw significant current, they cannot be powered directly by a standard dashboard switch. Instead, a low-current “trigger” circuit activates a high-current “load” circuit within the relay.
The diagram typically highlights four primary connections on the relay, often referred to as the common terminal configuration. Pin 30 is generally the hot wire connected directly to the battery through a heavy-duty fuse. Pin 87 is the output wire that travels to the fuel pump itself. Pins 85 and 86 represent the coil circuit; one is connected to a ground wire, while the other is linked to a switched ignition source or the Engine Control Unit (ECU).
Visualizing the diagram requires looking at the wire gauge. High-flow pumps require thicker wires (lower gauge numbers) to prevent voltage drops. If the voltage at the pump falls even slightly below the battery’s output, the pump’s RPM will decrease, leading to lean engine conditions and potential damage. The ground wire is equally critical; in most diagrams, it is shown as a short path from the pump to the vehicle chassis, ensuring a complete circuit. While some specialized sensors might use a brass screw for contact or a traveler wire configuration in complex multi-tank setups, the core logic remains focused on minimizing resistance and maximizing reliability.
[ BATTERY + ]-------[ FUSE ]-------( Pin 30: Relay )
|
[ IGNITION SWITCH ]----------------( Pin 86: Relay )
|
[ CHASSIS GROUND ]-----------------( Pin 85: Relay )
|
[ FUEL PUMP + ]<-------------------( Pin 87: Relay )
|
[ CHASSIS GROUND ]
(DIAGRAM_PLACEHOLDER: A professional wiring schematic showing the 12V battery source, 30-amp relay, inline fuse, and pump grounding point.)
Step-By-Step Installation and Diagram Interpretation

Reading an electric fuel pump wiring diagram requires a methodical approach to ensure every connection is secure and logically placed. Follow these steps to translate the schematic into a working system.
Always use a dedicated fuel pump relay. Standard toggle switches are not designed to handle the 10-20 amps of continuous draw that most electric pumps require, which can lead to switch melting or electrical fires.
1. Preparation and Tool Gathering
Before touching the vehicle, gather the necessary tools: a high-quality wire crimper, heat-shrink tubing, a multimeter to test voltage, and the correct gauge of wire. For most standard pumps, 12-gauge or 14-gauge wire is sufficient, but always check the manufacturer’s specifications. Ensure your battery is disconnected before beginning any work to avoid accidental sparks near fuel lines.
2. Mounting the Relay
Find a dry, accessible location for the relay, ideally in the engine bay or near the fuse box. In your electric fuel pump wiring diagram, the relay is the central hub. Secure it using a mounting tab and ensure the terminals are facing downward to prevent moisture from pooling inside the connector.
3. Wiring the Power Source (The Hot Wire)
Identify the hot wire coming from the positive battery terminal. This should be a thick, 12-gauge wire. Install an inline fuse holder as close to the battery as possible. This protects the entire length of the wire. Connect this wire to Pin 30 (the common terminal for power input) on your relay.
4. Establishing the Ground Circuit
The ground wire is the most overlooked part of the diagram. You must provide a clean, paint-free metal surface for the ground. Connect Pin 85 of the relay to the chassis. Furthermore, the fuel pump itself will have a negative terminal that must be grounded to the frame near the pump’s mounting location. Use a star washer to ensure the connection bites into the metal.
5. Connecting the Trigger Signal
Pin 86 is the “brain” of the relay. This needs a 12V signal that is only “hot” when the key is in the “On” or “Start” position. You can find this at the ignition switch or a dedicated “IGN” terminal in the fuse block. While AC household circuits use a traveler wire to move current between switches, in this DC system, the trigger wire simply tells the relay to close the internal bridge.
6. Routing to the Pump
Connect Pin 87 of the relay to the positive terminal of the electric fuel pump. Run this wire along the frame rail, securing it with plastic ties every 12 inches. Avoid routing it near exhaust heat or moving suspension components. Ensure the wire is protected by a plastic loom to prevent chaffing.
7. Testing and Verification
Before starting the engine, reconnect the battery. Turn the key to the “On” position. You should hear a faint “click” from the relay and a momentary “whir” from the pump as it primes the system. Use your multimeter to verify that you are getting at least 12.5V at the pump terminal while it is running.
Never bypass the fuse in a fuel pump circuit. If the pump internal motor seizes, the amperage will spike. Without a fuse, the wire will glow red hot and potentially ignite fuel vapors.
Common Issues and Troubleshooting

Even with a perfect electric fuel pump wiring diagram, issues can arise during or after installation. The most frequent problem is a “no-run” condition. If the pump does not turn on, the first place to check is the ground wire. A loose or corroded ground is responsible for over 70% of electrical fuel pump failures. Use your multimeter to check continuity between the pump’s negative terminal and the vehicle chassis.
Another common issue is voltage drop. If the pump sounds sluggish or the engine stumbles under load, the wire gauge might be too thin, or there may be a poor connection at the brass screw terminal of a sending unit. Check the voltage at the battery and then at the pump; if there is a difference of more than 0.5 volts, you need to inspect your connections or upgrade to a heavier wire.
If the fuse blows repeatedly, there is likely a short in the hot wire or the pump motor is drawing too much current due to internal wear. Use the diagram to trace the wire from Pin 87 to the pump, looking for any spots where the insulation might have rubbed through against the frame.
Tips and Best Practices for Long-Term Reliability
To ensure your fuel system remains reliable for years to come, consider these professional tips that go beyond the basic electric fuel pump wiring diagram.
- ✓ Use Marine-Grade Heat Shrink: Standard electrical tape will unravel over time when exposed to heat and gasoline vapors. Always use adhesive-lined heat shrink on all exterior connections.
- ✓ Incorporate an Inertia Switch: For safety, many modern builds include an inertia switch in the trigger circuit. This automatically cuts power to the fuel pump in the event of a collision.
- ✓ Label Your Wires: Use a label maker to mark the “Hot,” “Ground,” and “Trigger” wires near the relay. This makes future troubleshooting significantly easier.
- ✓ Direct Battery Power: Always pull the main load power (Pin 30) directly from the battery or the starter solenoid rather than a secondary accessory circuit to ensure maximum voltage.
When connecting to a brass screw terminal on a fuel tank sending unit, use a ring terminal rather than wrapping bare wire around the screw. This provides a 360-degree contact patch and prevents the wire from vibrating loose.
Investing the time to properly map out and execute your electric fuel pump wiring diagram is the best way to protect your vehicle and your safety. By using the correct wire gauge, ensuring a solid ground, and utilizing a high-quality relay, you create a robust system that can handle the rigors of daily driving or high-performance racing. Remember that electrical work is as much about the quality of the connections as it is about the logic of the circuit. Keep your diagrams handy, use the right materials, and always double-check your voltage to keep your engine running smoothly.
Step-by-Step Guide to Understanding the Electric Fuel Pump Wiring Diagram: Installation & Fixes
Identify the power source and fuse location on the schematic to ensure the hot wire is receiving current.
Locate the fuel pump relay and identify the common terminal and trigger pins for testing.
Understand how the PCM or ignition switch sends a signal through the traveler wire to activate the relay.
Connect a multimeter to the ground wire at the pump connector to verify a solid path to the chassis.
Verify that 12 volts are present at the pump’s power pin when the ignition is turned to the ‘on’ position.
Complete the inspection by checking all connectors for corrosion or loose pins that could impede fuel delivery.
Frequently Asked Questions
What is electric fuel pump wiring diagram?
An electric fuel pump wiring diagram is a visual map showing the electrical connections required to power a fuel pump. It details the relationship between the battery, ignition switch, fuel pump relay, and the pump itself. This schematic helps technicians track current flow and identify specific pinouts for troubleshooting electrical failures.
How do you read electric fuel pump wiring diagram?
To read this diagram, start at the power source or hot wire and follow the path through the fuse box to the fuel pump relay. Identify the common terminal on the relay and trace the output wire to the pump. Look for grounding points and color-coded lines to distinguish between different circuits.
What are the parts of electric fuel pump?
The primary parts include the fuel pump motor, a relay to handle high current, a fuse for circuit protection, and the wiring harness. It also involves an inertia switch for safety, a ground wire to complete the circuit, and the PCM or ignition switch which acts as the system trigger.
Why is the relay important?
The relay is vital because it allows a low-current signal from the ignition or computer to control the high-current hot wire needed by the pump. This protects sensitive switches from heat damage. If the relay fails at the common terminal, the pump won’t receive power, causing the engine to stall.
What is the difference between a hot wire and a ground wire?
The hot wire carries 12V positive current from the battery to the fuel pump to provide energy for the motor. In contrast, the ground wire connects the pump back to the vehicle chassis, completing the electrical loop. Unlike AC systems which use a neutral wire, DC automotive systems rely on the chassis.
How do I use electric fuel pump wiring diagram?
Use the diagram to perform voltage drop tests and continuity checks across the circuit. Identify the traveler wire or signal line to ensure the relay receives the turn-on signal. By matching the diagram colors to the actual wires, you can quickly isolate broken connections or faulty components in the system.
