GM Neutral Safety Switch Wiring Diagram: Troubleshooting Guide
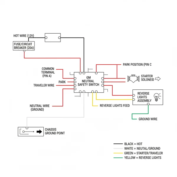
A GM neutral safety switch wiring diagram illustrates the electrical path between the ignition switch, starter solenoid, and backup lights. It identifies the hot wire supplying power, the common terminal routing signals, and the neutral wire or ground wire connections ensuring the vehicle only starts in Park or Neutral gear positions.
📌 Key Takeaways
- The primary purpose is to prevent engine cranking while the transmission is in gear.
- Identifying the 12V ignition power source is the first step in diagnostics.
- Always disconnect the vehicle battery before performing continuity tests on the harness.
- Use a digital multimeter to verify signal output at the switch connector.
- This diagram is essential for fixing no-crank conditions and malfunctioning reverse lights.
Understanding the layout of your vehicle’s electrical system is a critical skill for any DIY mechanic or restoration enthusiast. When your vehicle refuses to crank or the reverse lights fail to activate, the culprit is often found within the starter interrupt circuit. Having access to a precise gm neutral safety switch wiring diagram is the most effective way to eliminate guesswork and prevent accidental damage to your electrical harness. This diagram acts as a roadmap, illustrating how power flows from the ignition switch, through the safety mechanism, and finally to the starter solenoid. By following the correct schematics, you will learn how to verify continuity, identify wire functions by color, and ensure your GM vehicle operates safely by only starting in Park or Neutral positions.
Decoding the GM Neutral Safety Switch Wiring Diagram
The Neutral Safety Switch (NSS), frequently referred to in modern GM manuals as the Park/Neutral Position (PNP) switch, serves two primary functions: safety and signaling. On older GM vehicles, this switch was often located on the steering column or the floor shifter. In more recent models, specifically those equipped with electronic transmissions like the 4L60E or 4L80E, the switch is mounted externally on the driver’s side of the transmission case, surrounding the selector shaft.
When looking at a gm neutral safety switch wiring diagram, you will notice several distinct circuits. The most critical is the starter enable circuit. This typically involves a heavy-gauge hot wire—often purple or yellow—that carries high voltage from the ignition switch. When the gear selector is in Park or Neutral, the internal common terminal completes the circuit, allowing electricity to flow to the starter relay. If the vehicle is in any drive gear, the switch breaks this connection, preventing the engine from cranking and causing a potential accident.
Another vital element in the diagram is the backup light circuit. This usually consists of a 12-volt feed from a fused source that connects to the switch. When the operator moves the lever to “Reverse,” the switch bridges this feed to the wires leading to the rear lamps. You may also see a dedicated ground wire or a signal wire going to the Engine Control Module (ECM). This signal informs the computer of the current gear selection, which affects idle speed and fuel mapping. While the term traveler wire is more common in residential three-way switches, in an automotive diagram, it represents the signal lines that “travel” between the switch and the relay or control module to indicate state changes.
The diagram displays the 4-pin or 7-pin connector configurations. Note the Purple/White wire for the starter, the Pink wire for ignition power, and the Light Green/Dark Blue wires for the backup lamps.
On GM vehicles from the 1990s and 2000s, the switch often uses two separate connectors: one 4-pin and one 7-pin. Ensure you are looking at the correct plug for the circuit you are testing, as the backup lights and starter interrupt are often separated into these different housings.
Step-by-Step Guide to Installation and Testing

Properly interpreting and applying the information from your gm neutral safety switch wiring diagram requires a methodical approach. Whether you are replacing a faulty switch or wiring a custom hot rod, following these steps will ensure a professional-grade installation.
Step 1: Gather Your Tools and Materials
Before beginning, ensure you have a high-quality digital multimeter for checking voltage and continuity. You will also need a basic socket set (specifically 10mm and 15mm for most GM applications), electrical contact cleaner, and potentially some heat-shrink tubing if you are repairing damaged sections of the harness. For custom applications, ensure you are using the correct gauge wire—typically 12 or 14 gauge for starter circuits to handle the current load without overheating.
Step 2: Secure the Vehicle
Safety is paramount when working near the transmission. Park the vehicle on a level surface and engage the parking brake. Chock the wheels to prevent any movement if the transmission linkage is disconnected.
Step 3: Identify the Wire Leads
Referencing your diagram, locate the harness connector. On many classic GM switches, you will find a brass screw or terminal post design. On modern plastic-bodied switches, you will deal with pinned connectors. Identify the “Hot” lead coming from the ignition (usually Purple) and the “Load” lead going to the starter.
Step 4: Test for Power and Continuity
Turn the ignition key to the “Start” position (with a helper or using a remote starter switch). Use your multimeter to check for 12V at the input side of the switch. Then, with the shifter in Park, check for 12V at the output side. If you have power going in but not coming out while in Park, the switch is either misaligned or internally defective.
Step 5: Verify the Neutral Wire and Grounding
Some systems use a neutral wire signal that tells the ECM to adjust the air-idle control valve. Ensure the ground wire (usually Black or Black/White) has a clean, metal-to-metal connection to the chassis. A poor ground is a leading cause of intermittent starting issues.
Step 6: Mount and Align the Switch
If installing a new switch, slide it over the selector shaft. Do not tighten the bolts fully yet. Most GM switches have a small “neutral” alignment hole. Insert a small drill bit or alignment tool into this hole while the transmission is physically in the Neutral detent. Once aligned, tighten the mounting bolts.
Step 7: Final Connector Inspection
Clean the harness side of the plug with electrical contact cleaner. Inspect the pins for corrosion or “spreading,” which can cause a loose connection. Apply a small amount of dielectric grease to the weather seal to prevent moisture intrusion.
Never bypass a neutral safety switch by jumping the wires permanently. While this might “fix” a no-start condition temporarily, it allows the vehicle to start in gear, which can lead to severe injury, death, or significant property damage.
Common Issues & Troubleshooting

Even with a perfect gm neutral safety switch wiring diagram, you may encounter obstacles. The most common problem is a “no-crank” condition where the dashboard lights up, but the starter does not engage. If you’ve verified that the battery is healthy, use the diagram to “back-probe” the connector. If you find that shifting the lever firmly into Park or wiggling it allows the car to start, the switch is likely out of alignment or the shifter linkage bushings are worn out.
Another frequent issue involves the reverse lights staying on constantly or not coming on at all. This usually indicates a short circuit in the wiring harness or a failure of the internal contacts for the backup lamp circuit. Use your diagram to identify the specific pins for the Green and Blue wires. If you have power at the switch but none at the tail lamps, the break is further down the chassis harness.
Finally, heat damage is common on GM trucks and SUVs because the switch is located near the exhaust crossover pipe. Inspect the plastic housing for signs of melting or cracking. If the internal common terminal becomes brittle due to heat, it will fail to provide a consistent path for the voltage, leading to frustrating intermittent starts.
Tips & Best Practices for Long-Term Reliability
To ensure your GM neutral safety switch remains functional for years to come, follow these professional recommendations:
- ✓ Use High-Quality Components: Avoid the cheapest “no-name” switches found online. Stick with AC Delco or reputable OEM-grade replacements to ensure the internal spring tension and contact materials meet GM specifications.
- ✓ Check Your Gauge: If you are extending or repairing the harness, always match the factory wire gauge. Using a wire that is too thin will cause a voltage drop, potentially preventing the starter solenoid from clicking over.
- ✓ Heat Shielding: If your vehicle is used for towing or has aftermarket headers, consider installing a small reflective heat shield near the switch. This prevents the plastic casing from warping under high-load temperatures.
- ✓ Dielectric Grease: Always apply dielectric grease to the connector pins. Since the switch is located underneath the vehicle, it is constantly exposed to road salt, water, and grime.
If you are troubleshooting a no-start and suspect the switch, try starting the engine in Neutral rather than Park. If it starts in Neutral but not in Park, the switch is almost certainly misaligned rather than electrically dead.
Maintaining the integrity of your starting circuit is essential for vehicle longevity and operator safety. By utilizing a detailed gm neutral safety switch wiring diagram, you empower yourself to diagnose complex electrical faults with confidence. Remember to always double-check your connections, respect the power requirements of the starter circuit, and never compromise on safety protocols. With the right approach and the correct schematic, you can keep your GM vehicle running reliably for years to come.
Frequently Asked Questions
What is GM neutral safety switch wiring diagram?
A GM neutral safety switch wiring diagram is a schematic representing the electrical circuit that prevents the engine from starting in gear. It displays the connection between the ignition switch and starter, showing how the switch acts as an interlock for safety while also controlling the reverse light activation.
How do you read GM neutral safety switch wiring diagram?
To read this diagram, trace the hot wire from the ignition to the common terminal on the switch. Identify the color-coded wires leading to the starter relay and backup lamps. Look for symbols representing the ground wire and internal contacts that close only in Park or Neutral positions.
What are the parts of GM neutral safety switch wiring?
The main parts include the ignition power source, the safety switch assembly itself, the connector plug, and the outgoing wiring to the starter and reverse lights. Within the switch, you will find internal contacts that bridge the circuit when the gear selector aligns with the neutral or park settings.
Why is common terminal important?
The common terminal is vital because it serves as the primary junction point where incoming power is distributed. In a GM safety switch, it receives power from the ignition and directs it to the appropriate circuit, such as the starter solenoid or the backup lights, depending on gear selection.
What is the difference between traveler wire and hot wire?
A hot wire is the primary source of 12V power coming from the battery or ignition. In contrast, a traveler wire—often used in complex switching—carries that power between two points in a circuit to complete a specific path, ensuring the signal reaches the starter only when the gear is safe.
How do I use GM neutral safety switch wiring diagram?
Use this diagram to troubleshoot ‘no-start’ conditions by testing for voltage at specific pins. By identifying the neutral wire and ground wire locations, you can use a probe to verify if the switch is sending a signal to the starter solenoid when the key is turned to start.
